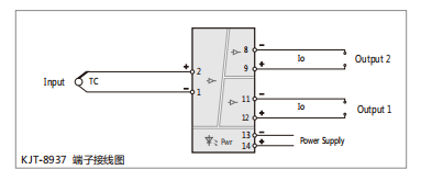
接收熱電偶或毫伏信號輸入,經過隔離變送輸出標準的直流信號至控制系統或其它儀表。智能型的熱電偶輸入溫度變送器,可以通過PC機和控制軟件編程設定輸入類型和量程范圍。并可對輸出信號的零點和滿度進行校驗。一路輸入,兩路輸出。直流電源供電方式,輸入-輸出-電源各通道之間隔離。標準的35mmDIN導軌卡式安裝??砂尾宓慕泳€插頭端子,彈簧壓緊連接。可以與單元組合儀表及DCS、PLC 等系統配套使用,廣泛用于工業生產過程的各度檢測和控制系統。

● 供電電源
供電電壓范圍:20~30VDC
額定供電電壓:24VDC
電流消耗(24VDC供電時):<45mA
● 輸 入
(可以通過 PC 機及軟件編程設定 )
熱電偶: K;E;S;B;R;T;N;W;J 等
溫度量程范圍: 根據連接的傳感器類型(參見量程表)
可選毫伏信號輸入:±80mV 范圍
最小毫伏量程:5mV
● 輸 出
輸出電流:4~20mA;其它指定電流
輸出電壓:1~5V;其它指定電壓
負載電阻:4~20mA 輸出時, ≤350Ω(出廠默認,可指定負載)
● 綜合參數
冷端溫度誤差:±1℃
冷端溫度補償范圍:-20℃~+60℃(補償電阻已裝在儀表內部)
溫度漂移:0.01%F.S./℃
響應時間:< 0.4s
隔離能力:輸入-輸出-電源之間 1.5KV,1min,50Hz
絕緣電阻:輸入-輸出-電源之間 ≥100MΩ / 500VDC
工作環境溫度:-20℃~+60℃
儲存環境溫度:-40℃~+80℃
機殼材質 / 防護等級:阻燃ABS/IP20
外形尺寸:16×116×110(mm)



