凱基特齒輪轉速傳感器核心部件是采用磁敏電阻作為檢測的元件,再經過全新的信號處理電路令噪聲降低,功能更完善。通過與其它類型齒轉速傳感器的輸出波形對比,所測到轉速的誤差極小以及線性特性具有很好的一致性.感應對象為磁性材料或導磁材料,如磁鋼、鐵和電工鋼等。當被測體上帶有凸起(或凹陷)的磁性或導磁材料,隨著被測物體轉動時,傳感器輸出與旋轉頻率相關的脈沖信號,達到測速或位移檢測的發訊目的。

| PNP 脈沖/分 | 6…150 | KJT-SK-K1 慢速型 | |
| 120…3000 | KJT-SK-K2 快速型 | ||
| 2線AC 脈沖/分 | 6…150 | KJT-SK-K3 慢速型 | |
| 120…3000 | KJT-SK-K4 快速型 |
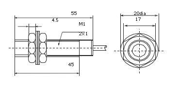
| 連接方式 | 預置2mPUR電纜 | |||
| 防護等級 | IP67 | |||
| 動作區域 | 0…8mm | |||
| 符合標準 | GB/T14084.10 | |||
| 工作環境溫度 | -25℃…+75℃ | |||
| 動作指示 | LED | |||
| 工作電壓 | DC 12…48V | AC 12…48V (50/60Hz) | AC 110…120V (50/60Hz) | AC 220…240V (50/60Hz) |
| 電壓極限(包括波紋) | DC 10…58V242V | AC 20…60V | AC 93…132V | AC 187…264V |
| 開關容量 | 0…200mA 過載短路保護 | 40…350mA (2A浪涌電流) | 20…350mA (2A浪涌電流) | 20…350mA (2A浪涌電流) |
| 電壓降落傘(閉合狀態) | <=1.8V | <=4.5V | ||
| 漏電流(打開狀態) | <=3.5mA | |||
| 消耗電流 | <=10mA | |||
| 適合大開關頻率 | 6000次/分,(慢速型);48000次/分 (快速型) | |||
| 遲滯曲線(△Fr) | 5…15% of Fr | |||
| 功率傳輸時滯 | 9s±20%+ 1/Fr | |||






